JMX120/0.5 機械隔膜式計量泵 |
||||||||||||||||||||||||||||||||||||||||||||||||||||||||||||||||||||||||
|
|
||||||||||||||||||||||||||||||||||||||||||||||||||||||||||||||||||||||||
![]()
產品介紹 JMX120/0.5 機械隔膜式計量泵產品介紹 流量范圍: 0-560 L/H 壓力范圍: 0-0.6 MPA 電機功率: 370W / 550W,220V / 380V / 420V , 50/60Hz 驅動系統: 兩相、三相標準電機或防爆電機 防護等級: IP55 材料 泵頭SUS304, SUS316, PVC, PTFE 隔膜: PTFE 單向閥: SUS304, SUS316, PVC, PTFE 閥球: ZrO2, SUS304, SUS316, 陶瓷 工作條件 環境溫度: -30℃ --- 80℃ 技術參數
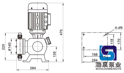
![]() 計量泵特點 1.操作安全,機械驅動隔膜。 2.密封性好,無泄漏,裝配維修簡單安全。 3.它可以傳輸高粘度介質,腐蝕性液體和危險性的化學品。 4.流量調節能夠調節沖程長度或電機頻率。 5.隔膜為多層復合結構壓制而成,第一層超韌性Teflon耐酸薄膜,第二層EPDM彈性橡膠,第三層3.0mmSUS304支撐鐵芯,第四層采用強化尼龍纖維補,第五層采用EPDM彈性橡膠完全包履,可有效提出升隔膜適用壽命。 應用 JMX120/0.5 機械隔膜式計量泵廣泛應用于石油化工、化工、電力、冶金、采礦、造船、輕工、農業、國防等工業。 因產品生產批次、型號不同,產品圖片及安裝尺寸僅供參考,詳情可聯系我們的銷售人員了解更多JMX120/0.5 機械隔膜式計量泵相關信息!
|
||||||||||||||||||||||||||||||||||||||||||||||||||||||||||||||||||||||||




















